喷射器官方网站!
  • 咨询热线:18962815588
  •  
    ——   产品展示   ——
    PRODUCTS  CENTER
    静态混合器
    煤气混合器
    蒸汽混合器
    纤维除雾器
    管式反应器
    SN分配器
    蒸汽减温器
    喷射混合器
    汽水混合器
    液氯汽化器
    粉末输送设备
    粉体混合设备
    液体搅拌设备
    旋风分离器
    切水器
    消音器
    急冷塔
    调合器
    润滑设备
    乳化机
    洗眼器
    反应器
    喷射器
    呼吸阀
    阻火器
    过滤器
    点阀箱
    排水器
    除污器
    采样器
    脱水器
    分水器
    视镜
    量油孔
    发生器
    油罐附件

    24小时咨询热线
    18962815588

    煤气排水器


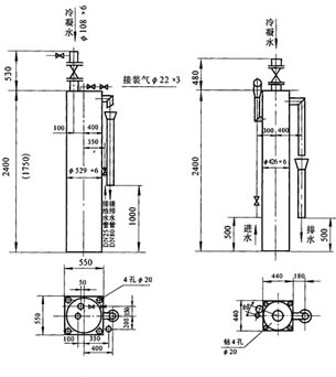
    防泄漏煤气排水器
    1、MGPB型防泄漏煤气排水器适用于不同压力的各种工业煤气架空管道。
    2、该防泄漏煤气排水器必须采用压力给水,给水量为2-4t/h。
    3、防泄漏煤气排水器上设有蒸汽或氮气吹扫头,为防止煤气窜入蒸汽或氮气管内只有在通蒸汽或氮气时,才能把蒸汽或氮气与煤气和管道连通,停用时必须断开或堵盲板。
    4、防泄漏煤气排水器冷凝水应集中处理。

    5、设在露天的排水器有寒冷地区要采取防冻措施,设在室内的应有良好的自然通风。



    产品简介 :
    防泄漏煤气排水器是上设有蒸汽或氮气吹扫头,为防止煤气窜入蒸汽或氮气管内只有在通蒸汽或氮气时,才能把蒸汽或氮气与煤气和管道连通,停用时必须断开或堵盲板。




  • 上一页:煤气冷凝水干式排水器
  • 下一页:立式除污器
  • 相关新闻
    标题:塑料管道静态混合器厂家
    简介:...... [详细]
     
    手机:18962815588  邮箱:18962815588@189.cn  地址:江苏启东城东工业园区76号
    喷射器版权所有    备案号:苏ICP备2021022551号-1

    苏公网安备32068102810187号

    24小时咨询热线:
    18962815588